TAEPO - Your Trusted Chinese Manufacturer of 4-pole CN Connection Cord With Professional Expertise!
What's the Definition of 4-pole CN Connection Cord?
DESCRIPTIONS
4-pole CN connection cord, test plug to test plug (TP-1331-4TT) is used for connecting between two CN disconnection modules for parallel connection. The CN plug is used for inserting into the CN disconnection module. It is 4-pole configuration.
The 4-pole cord permits parallel connection (monitor function) when it is used in the connection or disconnection module. The contacts of the cord bridge the centre contacts of the module which permit monitoring of the line (connection line). 4-pole cords can be used in switching modules. The PCB contacts would make a positive contact in this case.
Its plug-to-plug design supports various line continuity checks and test bypass procedures by allowing easy bridging between circuits or test modules. Used worldwide by telecom carriers, data centers, and maintenance teams, this CN connection cord is an essential test tool for voice and data signal routing and validation tasks.
MAIN FEATURES
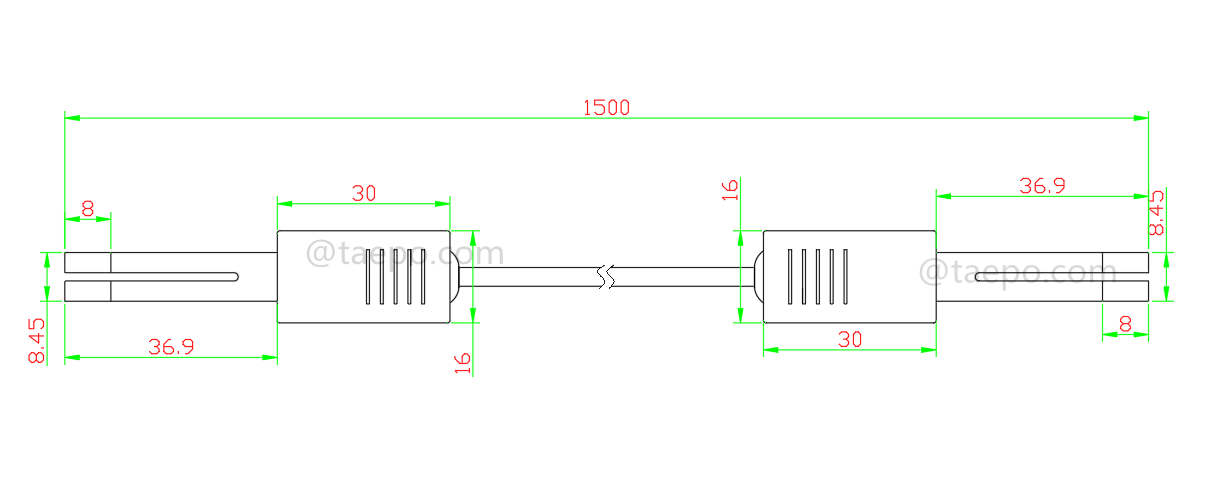
- Cable Length: The cable is available in various lengths to suit different testing and connection needs.
- Flexible and Insulated: The cable is flexible and well-insulated to ensure safety and ease of use.
- CN Test Plug: One end is equipped with an CN test plug designed for secure connections to CN terminal blocks commonly used in telecommunications and networking.
- Durability: Designed to withstand repeated use, with durable materials and insulating coatings on alligator clips.
- Safety: Alligator clips are coated to prevent accidental short circuits, ensuring safety during testing.
- Flexible Copper Conductors: Internally, the use of stranded copper wires ensures optimal signal transmission while maintaining cable flexibility under repetitive handling.
- Reinforced Plug Bodies: Each CN plug is encased in molded plastic housing with precise pin alignment to maintain stable and secure contact with corresponding sockets.
- Safe and Secure Connection: Offers a secure grip and stable connection between the test plug and the device's testing ports, minimizing signal loss or interference during testing procedures.
SCHEMATIC DIAGRAMS

ILLUSTRATION PICTURES

PACKING PICTURES

ORDER DATA
| Item No |
Descriptions |
| TP-1331-4TT |
4-pole CN connection cord, test plug to test plug, 1.5m |
RELATED PRODUCTS